Dongguan LED патч кронштейн производитель производства и продажи 60 ширина 5054RGBY четыре в одном красная медная кронштейн PCT
Вес:
0.50 кг
Продано за 30 дней:
0 шт.
Всего продаж:
9999822 шт.
Минимальное количество для заказа:
1 шт.
Dongguan LED патч кронштейн производитель производства и продажи 60 ширина 5054RGBY четыре в одном красная медная кронштейн PCT
от 750.00 ₽ за 1 шт.
-21%
750.00 ₽
Доставка по Китаю включена в цену
Оптом
от 1 шт.
750.00 ₽
от 500 шт.
687.50 ₽
от 1000 шт.
650.00 ₽
Описание


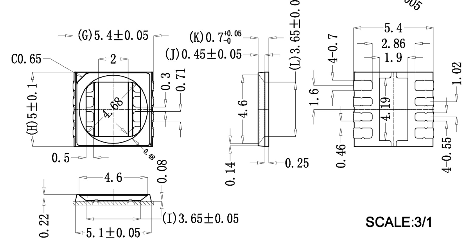
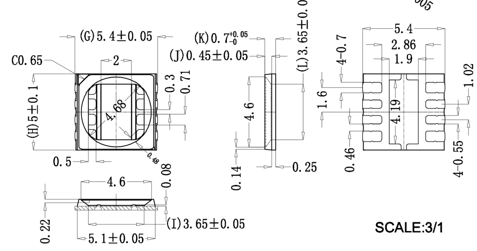
产品说明:目前我司生产的60宽度的5054-8排红铜支架采用黄铜C2680材料,铜材厚度为0.23厚,电镀银40U,产品具有散热好,光衰低,亮度高 寿命长等特点。可以做0.5-2瓦白光LED灯珠,广泛应用于户外亮化工程,及室外照明工程等。



该款5054-8排RBGY的LED支架产品,排列方式为8X20排,一片160PCS。一包为9600PCS。






|
1、范围 该标准适用于LED-SMD支架产品功能要求及测试方法;
2、一般规格 2.1、测试环境 温度:20±5℃ 湿度:30-50%RH 2.2、储存环境(真空包装包装情况下) 温度:20±5℃ 湿度:40-50%RH (真空包装下储存3个月,拆开真空包装下请在12个小时以内使用) 2.3、 工作环境 温度: -30℃至+100℃maximum 湿度: 50%RH
3、材料及尺寸 3.1、 素材材质: C2680 (黄铜) 3.2、 塑胶材质: PPA (白色) 3.3、 镀层规格:
4.产品外观
5.信赖性测试
|
|
項目 |
描述 |
测试方法 |
测试规格 |
|
5.2 |
红墨水测试 |
封胶后,红墨水1:1对酒精放入烧杯中,加热台温度设定100℃,煮1小时 |
端子与塑胶结合处可有线状渗透现象,块状渗透现象不可超过5%比例。 |
|
5.3 |
高温测试 |
1.温度:180℃;时间:2小时; |
料带不可有变色、起泡、变形,塑胶不可有起泡、变色. |
|
5.4 |
跌落测试 |
产品由50cm高处自由下落1次 |
不可有脱落现象。 |





7.包装标签
7.1包装:用无硫纸包装,置于泡沫盒包装,PE袋抽真空密封。
7.2标签:标签内容需填写完整,标签不可破损、涂改及漏贴。
8.包装规范
8.1、包装前,对应BOM表准备好相应的包装材料。如下图所示,将检测好的产品杯品朝上,用无硫纸折叠包装。
8.2、 将包装好的产品放入泡沫盒内,放满产品后用真空打包袋装起抽真空装。
7.包装标签
7.1包装:用无硫纸包装,置于泡沫盒包装,PE袋抽真空密封。
7.2标签:标签内容需填写完整,标签不可破损、涂改及漏贴。
8.包装规范

8.1、包装前,对应BOM表准备好相应的包装材料。如下图所示,将检测好的产品杯品朝上,用无硫纸折叠包装。
8.2、 将包装好的产品放入泡沫盒内,放满产品后用真空打包袋装起抽真空装。
备注:1、若有未装满之零头数量,必须以缓冲材塞满;
2、产品每盒抽真空后胶纸封箱;
3、最大堆积高度为3箱;
|
9.包装明细表 9.1、产品包装数量明细 |
|||||||||||
|
品名 |
每片 数量 (K) |
每包 片数 (片) |
每包 数量(K) |
每盒 数量 (K) |
每箱 数量 (K) |
备注 |
|||||
|
75宽2025双杯 |
1.344 |
55 |
73.92 |
591.36 |
1774.08 |
- |
|||||
|
|
END |
|
|
|
|
|
|||||
|
|
|
|
|
|
|
|
|||||
|
9.2、产品包材明细(箱) |
|||||||||||
|
编号 |
材料名称 |
规格 |
数量 |
单位 |
备注 |
||||||
|
1 |
纸箱 |
L370×W270×H290mm |
1 |
个 |
- |
||||||
|
2 |
泡沫盒 |
L350×W252×H90mm |
3 |
个 |
- |
||||||
|
3 |
真空袋 |
L630×W400×T0.07mm |
3 |
个 |
- |
||||||
|
4 |
无硫纸 |
L152×W58×T0.05mm |
24 |
张 |
- |
||||||
|
5 |
干燥剂 |
2g/包 |
0 |
个 |
- |
||||||
|
6 |
标签 |
- |
4 |
个 |
- |
||||||
|
|
END |
|
|
|
|
||||||

Характеристики
Происхождение:
город Дунгуань
Импортировать ли:
нет.
Номер заказа:
YY5054-8P
торговая марка:
другой
номер товара:
YY5054-8P
модель:
YY5054-8P латунь
Обработка и настройка:
нет.
Способ установки:
Инкрустация
Номинальный ток:
350 мА
Номинальное напряжение:
3.2
решение:
550
оттенки серого:
22
яркость:
выделить
Размер модуля:
22
Размер экрана:
21
Используйте среду:
внутренний
Режим отображения:
горизонтальный прокрутка
цвет дисплея:
Монохромный
пиксель:
1062
шаг пикселя:
3
диаметр пикселя:
32
Предоставлять ли эксклюзивные поставки для трансграничного экспорта:
нет.
прямое напряжение:
3.2
Светоотдача:
130LM
О продавце
Имя:
Оценка сервиса:
3.5
Оценка логистики:
3.0
Оценка споров и жалоб:
4.0
Оценка предложения:
3.0
Оценка консультации:
3.0
repeatPurchasePercent:
0.3289414549177603
afterSalesExperienceScore:
3.3
Dongguan LED патч кронштейн производитель производства и продажи 60 ширина 5054RGBY четыре в одном красная медная кронштейн PCT
750.00 ₽
750.00 ₽
Курс юаня: 12.5