Получайте уведомления в Telegram! Будьте в курсе статуса заказов, акций и новостей. Подключите уведомления прямо сейчас.

Жилет для мужчин Мужские джинсы Мужские повседневные брюки Мужская хлопчатобумажная одежда Мужская ветровка Мужские брюки Свитер для мужчин Рекламная рубашка Мужская рубашка Поло Оформка, униформа Мужское пальто Мужские национальные костюмы Мужской пуховик Спортивный костюм для мужчин Мужская разная сумка Костюм Чжуншань, костюм Тан, национальный костюм Мужской костюм Мужской жилет Мужская кожаная одежда Мужская бейсбольная одежда Мужская свитерь Мужские пляжные брюки Мужские кожаные брюки Шорты для мужчин Мужские хлопковые брюки Мужские пуховые брюки Одежда для пар/одежда для пар Мужские брюки Бархатные брюки для мужчин Мужская солнцезащитная одежда, одежда для кожи Аниме двойная одежда Мужская одежда больших размеров Мужчины среднего и пожилого возраста Мужская рубашка Мужская футболка Мужская куртка Мужская обработка на заказ
Женские джинсы Женский свитер, флис Маленький костюм Женская кожаная одежда Одежда для беременных Платье Женский свитер Женские повседневные брюки Женская одежда больших размеров Женская шерстяная куртка Женская солнцезащитная одежда, солнцезащитная одежда Женская хлопчатобумажная одежда Женская футболка Маленький жилет/подтяжка/тряпка Кружевная рубашка, шифоновая рубашка Женский пуховик Женская куртка/бейсбольная одежда Женская рубашка POLO Защитные брюки для женщин Женский жилет Пара/униформа/одежда для выступлений Международный национальный костюм Модный повседневный набор Костюм для сценического исполнения Униформа JK Женские комбинезоны/одежда Разные женские Женский трикотаж Леггинсы для женщин Женские шорты Сотрудничество по проектам одежды Свадебное платье/платье/cheongsam Чайная одежда дзен/танцевальная одежда дзен Женский костюм Тан Лолита Lolita Меха Кашемировое пальто для женщин Плащ для женщин Юбка Другие короткие пальто Блузка для женщин Женщины среднего и пожилого возраста Двики Аниме Одежда/Аксессуары Женский профессиональный костюм Леди Костюмы меньшинств Одежда для пар Ханфу Обработка женской одежды на заказ Женское джинсовое пальто Рабочая/рабочая униформа
Электрические приборы Экспериментальные приборы Хроматограф Электронные измерительные приборы Приборы для наук о жизни Измеритель давления Измеритель температуры и влажности Инвентарные приборы Аксессуары для приборов Приборные агенты присоединяются Испытательная камера и оборудование для климатической среды Специальные приборы Прочие приборы Испытательная машина Аналитические приборы Метеорологические приборы Приборы для обнаружения окружающей среды Индикатор Измеритель уровня Механические измерительные приборы Измеритель расхода Промышленный таймер Регистратор Весы Приборы для неразрушающего контроля Стандартные измерительные приборы Счетчик Оборудование для тестирования упаковки Оборудование для автоматизации Оптические приборы Резиновые и пластмассовые приборы Оборудование для обнаружения автомобилей и мотоциклов
Детали системы трансмиссии для мотоциклов Двигатели и аксессуары для мотоциклов Мотоцикл универсал Товары для безопасности мотоциклов Детали системы управления мотоцикла Принадлежности и аксессуары для мотоциклов Приборы и приборы для мотоциклов Детали для мотоциклов ходовой системы Мотоцикл ключи Диски для мотоциклов Мотоцикл карбюратор Детское сиденье для мотоцикла Шлем безопасности мотоцикла/электромобиля Рама для мотоцикла Чехол для мотоцикла Мотоцикл зеркало заднего вида Аксессуары для мотоциклетных шлемов Педаль мотоцикла Задняя коробка мотоцикла Подушка сиденья для мотоцикла Мотоцикл замок Выхлопная труба мотоцикла Мотоцикл Рог в сборке Мотоцикл фар в сборке Мотоциклетный шлем с украшением Мотоцикл крылья Мотоцикл бампер Заднее крыло мотоцикла Переднее лобовое колесо мотоцикла Наушники Мотоцикл шлем Мотоцикл шлем против тумана Рамка номерного знака для мотоцикла
Зеркало заднего вида с козырьком Пепельница для автомобиля Компас/компас для автомобиля Противоскользящие коврики Другие принадлежности для салона автомобиля Мешок для хранения автомобиля/ящик для хранения Солнцезащитный козырек Ароматы для автомобилей Чехол для рулевого колеса Талия Подставка для воды для автомобиля/подставка для напитков Повешение автомобиля Ящик для поручней Шторы для автомобилей Электростатический стержень/сумка для ключей Усилитель рулевого колеса Коробка/комплект для салфеток для автомобиля Автомометр Автомобильный телефон кронштейн Временная парковка Подушка для подлокотного ящика Парфюмерное сиденье Бортовой стол Чехол для ключей для автомобиля Сорбенты автомобильного угля Надувная кровать для автомобиля Сумка CD/зажим/мешок Коврик для укрытия автомобиля Автомобильные украшения Ремень безопасности плеча Ручной тормозной чехол/рулон/набор аксессуаров Подголовник Зажим для очков/держатель для билетов Подушка для защиты от удара на спинке стула Приветственные педали, ножные педали

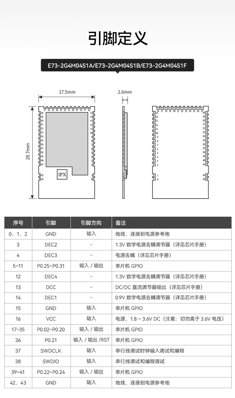
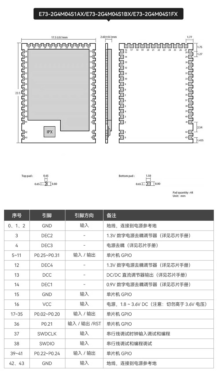
NRF52810/52832/52811 Bluetooth модуль BLE4.2/5.0 Низкое энергопотребление Сверхмалый объем беспроводной SoC

Ссылка на оригинал

Продано за 30 дней:

2100 шт.

Всего продаж:

2580 шт.

Минимальное количество для заказа:

1 шт.

NRF52810/52832/52811 Bluetooth модуль BLE4.2/5.0 Низкое энергопотребление Сверхмалый объем беспроводной SoC

Ссылка на оригинал
Доставим до Москвы: 05.5 - 15.5

от 221.20 ₽ за 1 шт.

-21%

221.20 ₽

Доставка по Китаю включена в цену

Доставка до склада в Китае: 0 ₽
Для расчета доставки до Москвы обратитесь к менеджеру

Оптом

от 1 шт.

221.20 ₽

Описание

E73-2G4M04S1A: http://www.ebyte.com/product-view-news.aspx?id=305&=ds-tb

E73-2G4M04S1AX:http://www.ebyte.com/product-view-news.aspx?id=1251&=ds-tb

E73-2G4M04S1B: http://www.ebyte.com/product-view-news.aspx?id=239&=ds-tb

E73-2G4M04S1BX:http://www.ebyte.com/product-view-news.aspx?id=1252&=ds-tb

E73-2G4M04S1D:http://www.ebyte.com/downpdf.aspx?id=297&=ds-tb

E73-2G4M04S1F:https://www.ebyte.com/product-view-news.html?id=1571&=ds-tb

E73-2G4M04S1FX:https://www.ebyte.com/product-view-news.html?id=1572&=ds-tb

EWT73-2G4M04S1D:https://www.ebyte.com/product/2466.html

EWT73-2G4M04S1A:https://www.ebyte.com/product/2468.html

EWT73-2G4M04S1B:https://www.ebyte.com/product/2467.html

Характеристики

Бренд:

EBYTE/Ибретт

Модель:

Возьмите образец цены, чтобы ограничить покупку 2 шт./Превышение количества, чтобы восстановить первоначальную цену; E73-2G4M04S1A [поставляется с антенной на печатной плате]; E73-2G4M04S1AX [необходимо принести свою антенну]; E73-2G4M04S1AX [оснащен антенной FPC]; E73-2G4M04S1AX [оснащен антенной с клеевым стержнем]; E73-2G4M04S1B [бесплатная антенна FPC]; E73-2G4M04S1BX [Вам необходимо принести свою антенну]; E73-2G4M04S1BX [оснащен антенной FPC]; E73-2G4M04S1BX [Оснащен антенной с клеевым стержнем]; E73-2G4M04S1D [поставляется с антенной на печатной плате]; E73-2G4M04S1F [поставляется с антенной на печатной плате]; E73-2G4M04S1FX [Вам необходимо принести свою антенну]; Тестовый комплект E73-2G4M04S1A [встроенная антенна на печатной плате + USB-кабель]; Тестовый комплект E73-2G4M04S1B [встроенная антенна на печатной плате + USB-кабель]; Тестовый комплект E73-2G4M04S1D [встроенная антенна на печатной плате + USB-кабель]

Номер артикла:

E73-2G4M04S1BX

О продавце

Посмотреть все товары продавца

Оценка сервиса:

4.5

Оценка логистики:

3.0

Оценка споров и жалоб:

5.0

Оценка предложения:

5.0

Оценка консультации:

3.0

repeatPurchasePercent:

0.487307873110843

afterSalesExperienceScore:

4.3

collect30DayWithin48HPercent:

1.0

qualityRefundWithin30Day:

0.0

Другие товары продавца

NRF52810/52832/52811 Bluetooth модуль BLE4.2/5.0 Низкое энергопотребление Сверхмалый объем беспроводной SoC

221.20 ₽

Доставим до Москвы: 05.5 - 15.5

221.20 ₽

Доставка по Китаю: 0 ₽
Для расчета доставки до Москвы обратитесь к менеджеру